Shackle-Medium 5"
Shackle-Medium 5" - 1/2" Hole
Couldn't load pickup availability
Description
Description
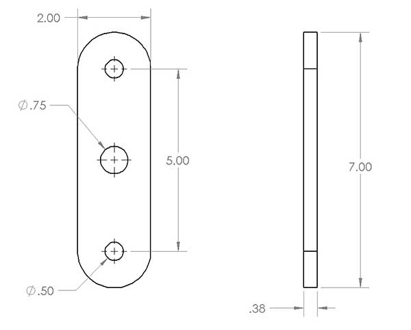
Shackle-Medium 5"
Heavy-duty 5" shackle for standard off-road applications.
This medium 5" shackle provides reliable strength and durability for off-road use. The completely round ends avoid any grab points from rocks while the .375" thick construction ensures dependable performance under demanding conditions.
Built from heavy-duty steel with precision manufacturing for consistent quality. Available with 1/2" or 9/16" hole options to match your specific hardware requirements.
Key Features
- Part Number: R1207-A
- Fitment: Universal leaf spring applications
- Material: .375" thick steel construction
- Dimensions: 5" length with completely round ends
- Design: Rock-friendly round ends prevent snagging
What's Included
- 1x Medium 5" Shackle (sold individually)
- Choice of 1/2" or 9/16" hole diameter
Notes
- Sold individually - need 4 to complete one axle
- Round ends prevent rock grab points
- Available with 1/2" or 9/16" hole options

